Bedini Medical Machine – Zapper
Bedini Medical Machine – Zapper
Here we describe the development of John Bedini’s therapeutic device, also known as the Zapper. The device is designed to assist the body’s natural defense mechanisms against various pathogens, including viruses and parasites, which may contribute to certain health conditions.
Gallery
Schematics
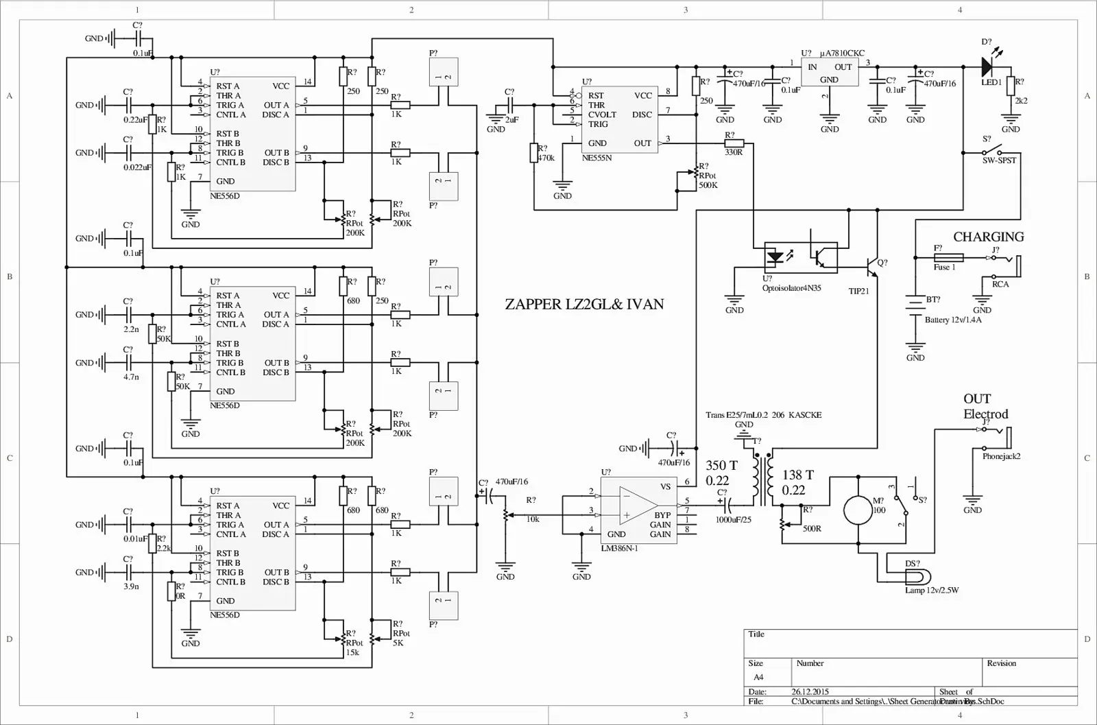
Bedini Medical Machine Schematic
( as PDF)
Bedini Medical Machine PCB
( as PDF) ( as LAY)
Tuning
Tuning Zapper
Description
Still experimenting and verifying if that device is actually working.
More Info
This post is licensed under CC BY 4.0 by the author.








