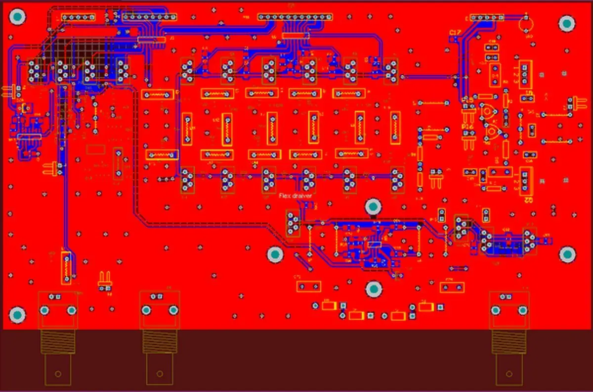
SDR-1000 Schematics
SDR-1000 Schematics
Here you will find schematics for our version of the popular SDR-1000 transceiver, it uses DDS AD9854 from Analog Devices.
Schematics
SDR-1000 DDS - AD9854
( as PDF)
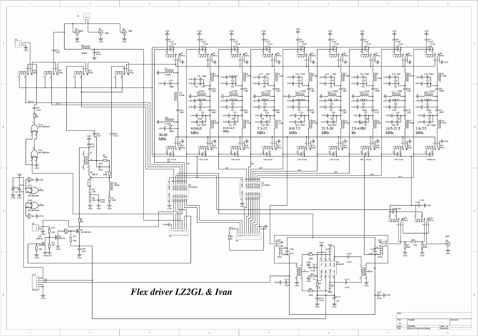
Flex Driver
( as PDF)
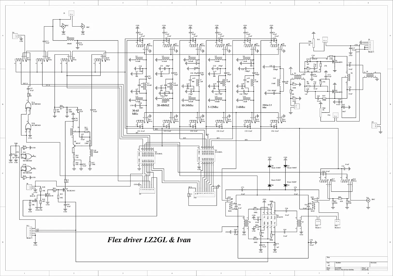
Flex Driver
( as PDF)
SDR-1000 Power Supply
( as PDF)
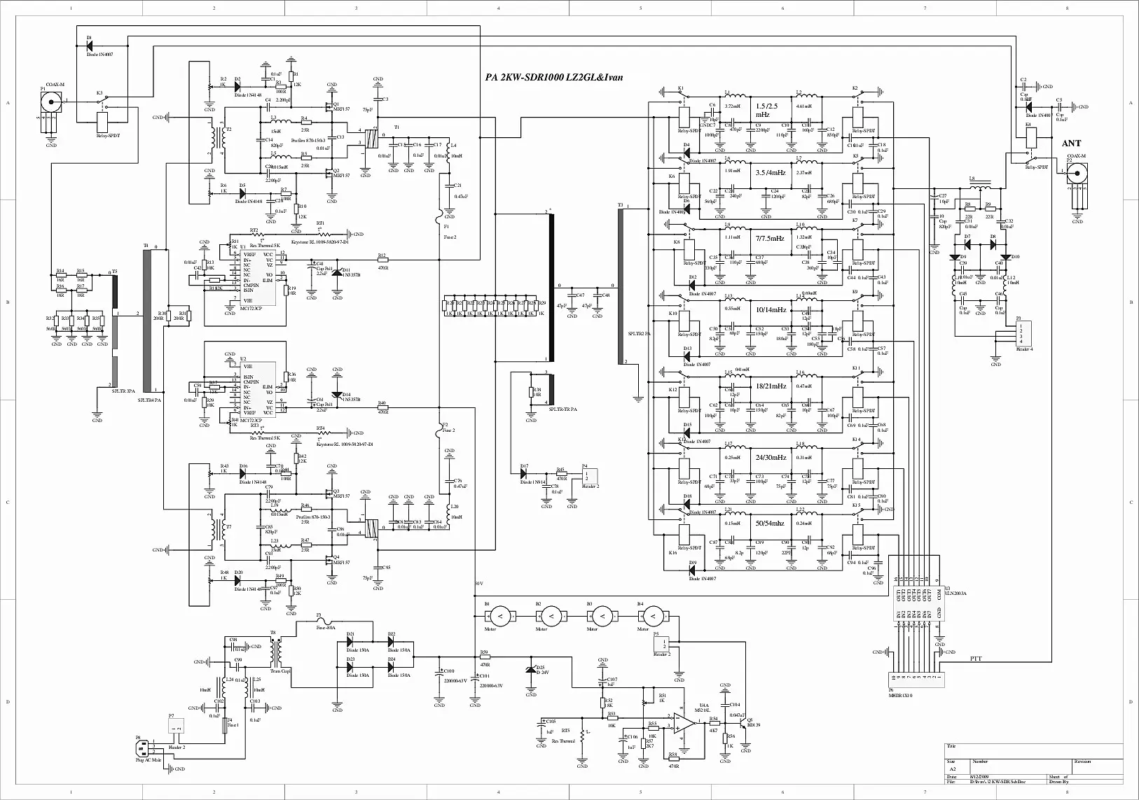
Power Amplifier 2KW
( as PDF)
This post is licensed under CC BY 4.0 by the author.






