Antenna Splitter 1..60MHz
Antenna Splitter 1..60MHz
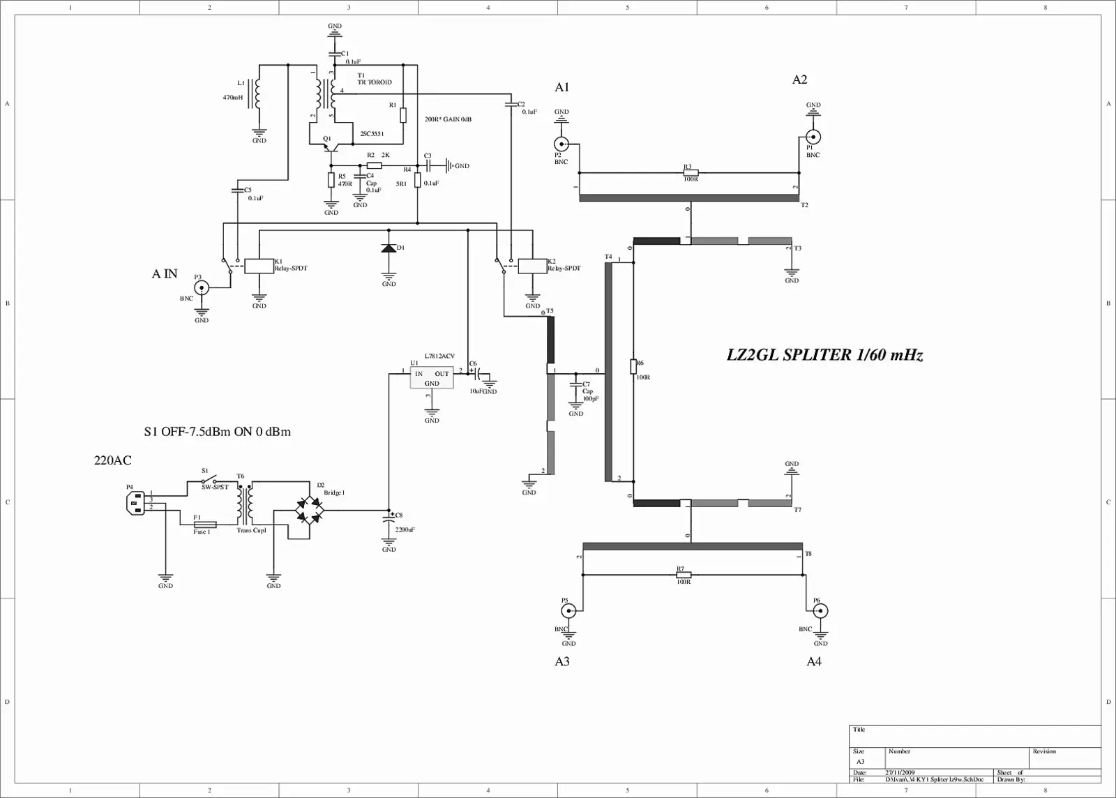
Here you will find information about our antenna splitter working in diapason 1..60MHz. That is used with our famous V-Star Antenna.
Schematics
Antenna Splitter 1..60MHz Schematics
( as PDF)
This post is licensed under CC BY 4.0 by the author.
