Analog Power Supply 50V/50A (28V/85A)
Analog Power Supply 50V/50A (28V/85A)
This project showcases a custom-built analog power supply unit capable of dual-mode operation: 50V/50A or 28V/85A when powered by 220V AC input. The design employs pure analog signal processing for core functionality. A PIC18F2420 microcontroller serves auxiliary functions only, handling parameter display and configurable overload protection settings.
Gallery
Schematics
Analog Power Supply 50V/50A Schematics
( as PDF)
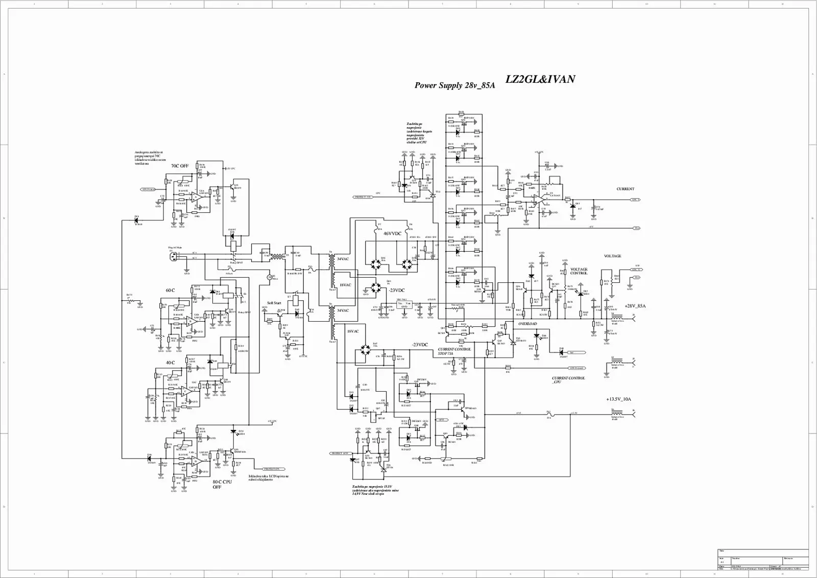
Analog Power Supply 28V/85A Schematics
( as PDF)
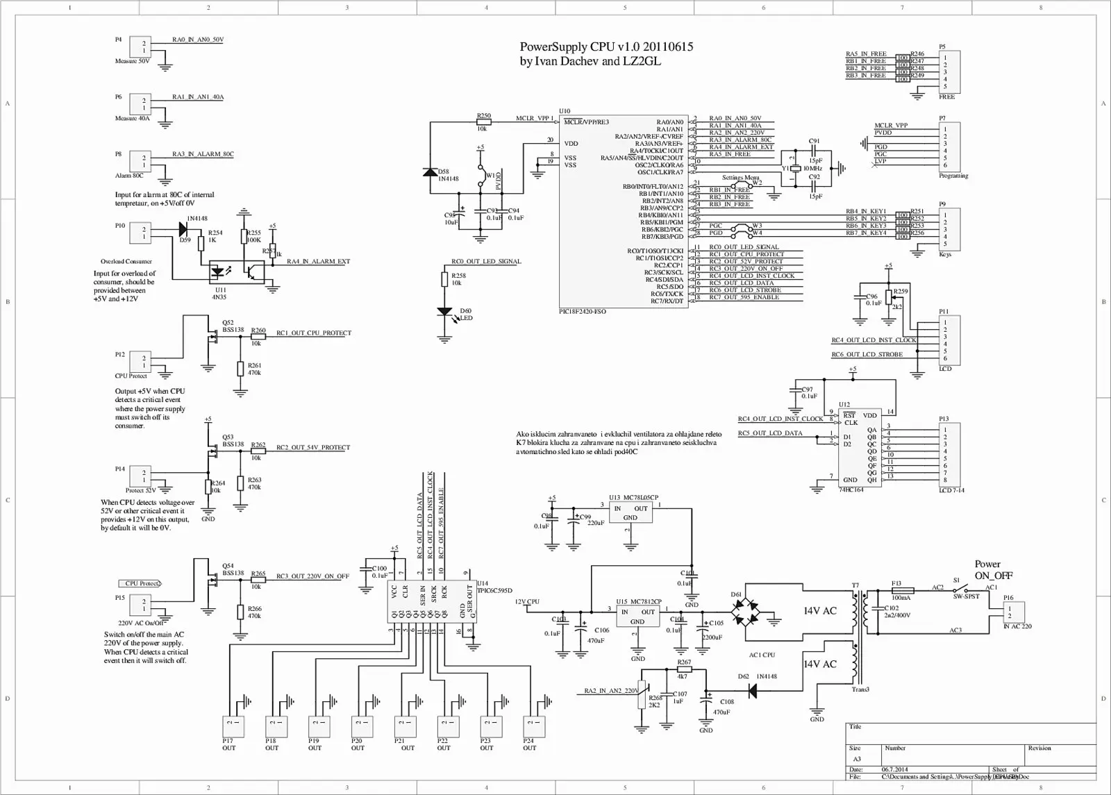
Analog Power Supply CPU Controlling Schematics
( as PDF)
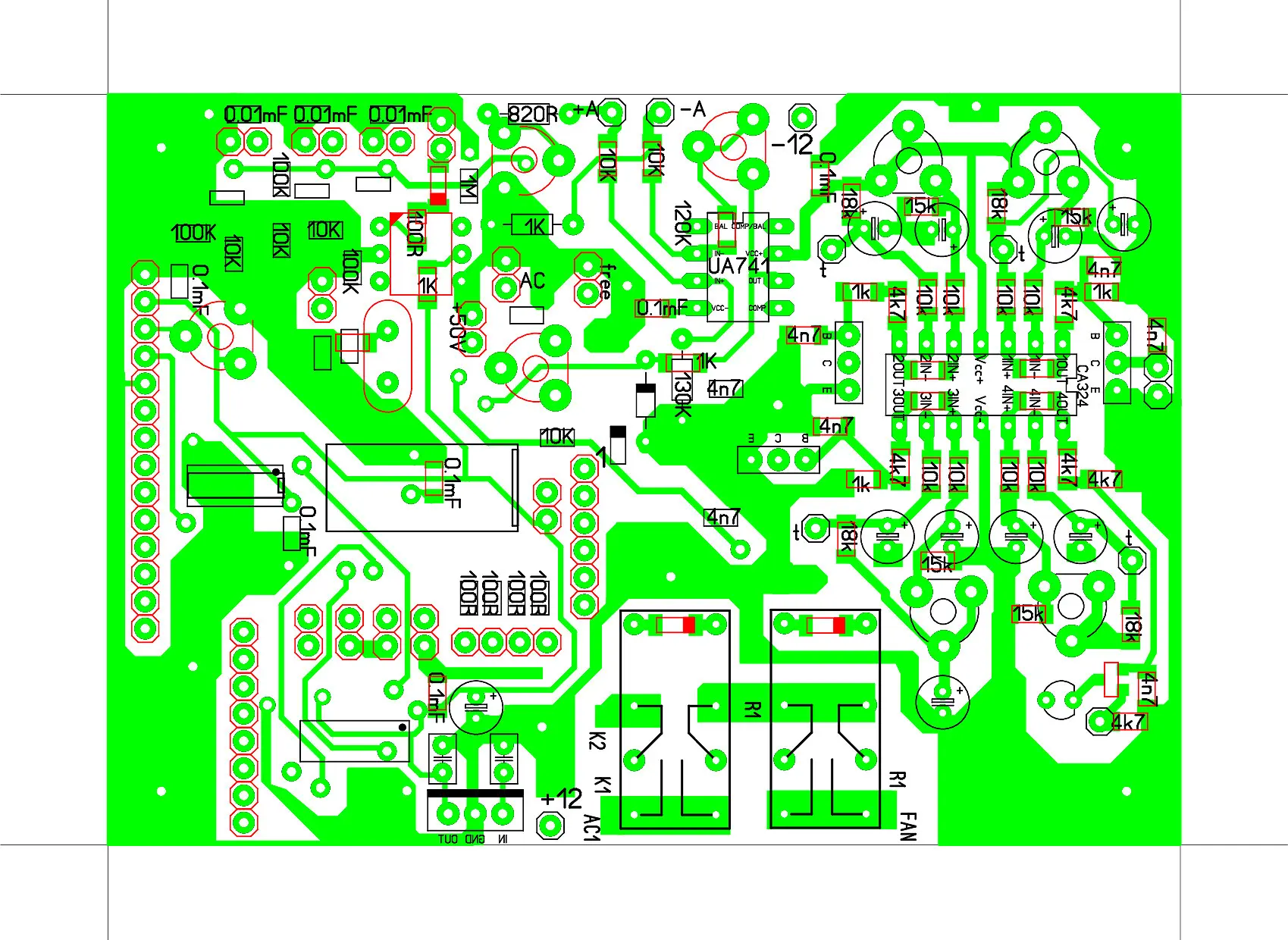
Analog Power Supply CPU Controlling PCB Top
( as PDF)
Analog Power Supply CPU Controlling PCB Bottom
( as PDF)
This post is licensed under CC BY 4.0 by the author.











