HF Power Amplifier 1kW
HF Power Amplifier 1kW
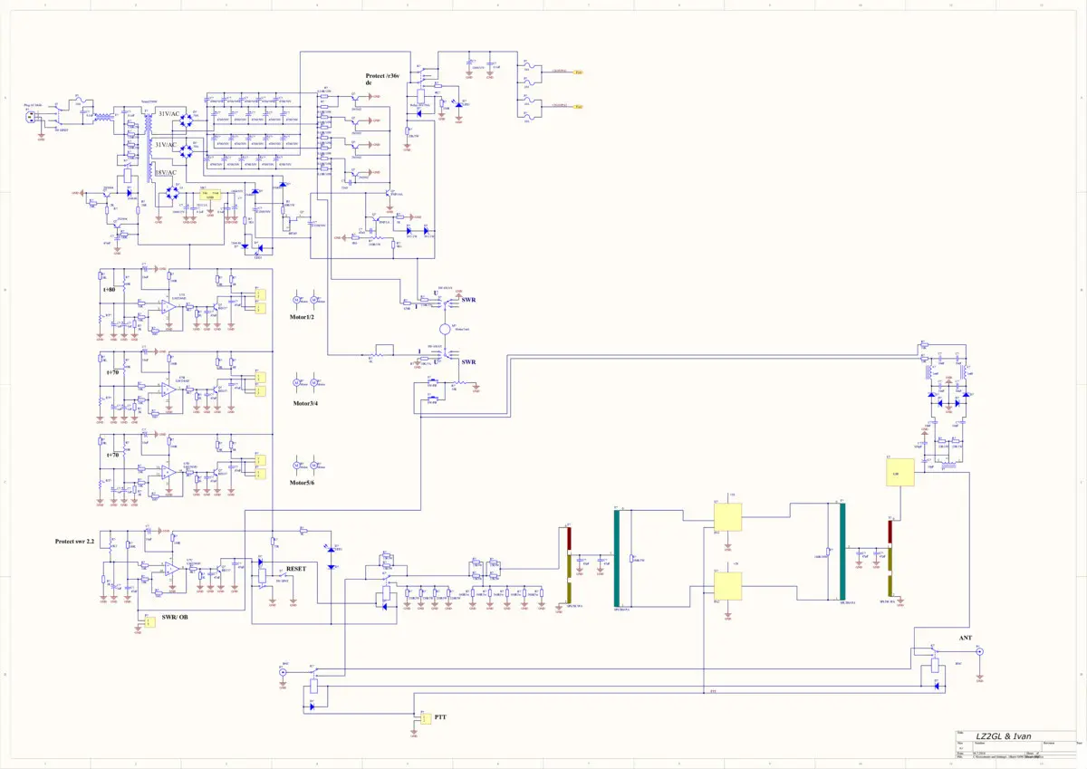
Here you will find information about our home made 1000 wats HF power amplifier.
Gallery
Schematics
HF Power Amplifier 1000W Schematics
( as PDF)
Description
Coming soon…
This post is licensed under CC BY 4.0 by the author.








